Prandtlova (Pitotova) trubice - AHLBORN FD991284VA
Kód: FD991284VADetailní popis produktu
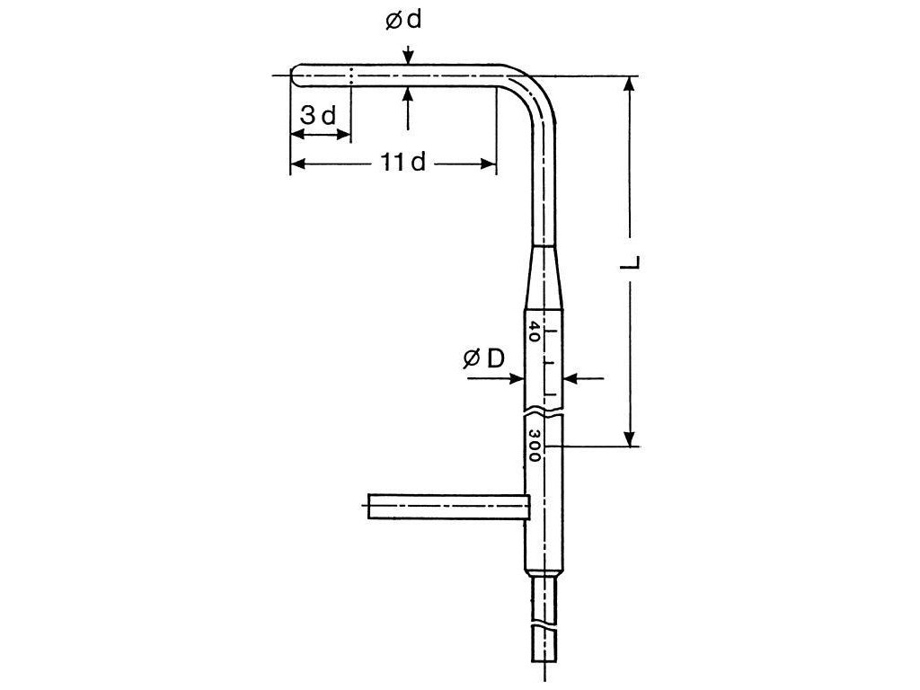
Prandtlova (Pitotova) trubice FD991284VA s půlkulovou hlavicí pro měření rychlosti proudění vzduchu např. v komínech nebo vzduchotechnických potrubích.
Pro měření dynamického tlaku se na špičce trubice nachází otvor o velikosti 0,3 d.
Pro měření statického tlaku je na trubici umístěno celkem 12 vyvrtaných otvorů o průměru 0,1 d ve vzdálenosti 3 d.
Propojení se snímači diferenčního tlaku silikonovými hadicemi.
Specifikace:
- délka 400 mm
- průměr hlavice 8 mm
- průměr stonku 8 mm
- materiál chrom-niklová ocel (nerezová)
- maximální teplota 500°C
Buďte první, kdo napíše příspěvek k této položce.
Přidat komentář
