Anemometrické čidlo micro 0,6 až 20 m/s
Kód: FVAD15H220Související produkty
Detailní popis produktu
Digitální anemometrické čidlo FVAD15H220 pro přesné měření rychlosti proudění vzduchu a plynů.
Měřicí rozsah: 0,6 až 20 m/s, rozlišení 0,01 m/s, přesnost +-(1% z měřené hodnoty + 0,5% z rozsahu)
Každé čidlo je individuálně cejchováno, kalibrační hodnoty jsou uloženy v ALMEMO®-konektoru.
Měření je nezávislé na teplotě, tlaku a vlhkosti, hustota média je kompenzována.
Konstrukce čidla je optimální pro měření ve vzduchových kanálech, materiál čidla aluminium.
Provozní teplota: -20...+125°C, provozní přetlak: max. 3 bar
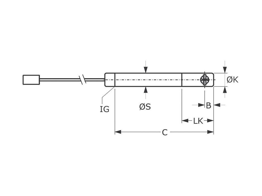
Rozměry: průměr 16 mm, délka D=163 mm, kabel 2 m + adapterkabel 0,2 m s ALMEMO®-D6 konektorem
Zkušební certifikát výrobce součástí dodávky.
Buďte první, kdo napíše příspěvek k této položce.
Přidat komentář
